English
Español
Português
русский
Français
日本語
Deutsch
tiếng Việt
Italiano
Nederlands
ภาษาไทย
Polski
한국어
Svenska
magyar
Malay
বাংলা ভাষার
Dansk
Suomi
हिन्दी
Pilipino
Türkçe
Gaeilge
العربية
Indonesia
Norsk
تمل
český
ελληνικά
український
Javanese
فارسی
தமிழ்
తెలుగు
नेपाली
Burmese
български
ລາວ
Latine
Қазақша
Euskal
Azərbaycan
Slovenský jazyk
Македонски
Lietuvos
Eesti Keel
Română
Slovenski
मराठी
Srpski језик
제품특징예
1, DC 생성 및 DC 저장, 효율성이 높고 손실이 낮으며 PV 및 저장 전력에 적합합니다.
부하 전력 오프 그리드 시나리오보다
2, IP65 보호, 옥외 사용에 적합합니다. 배선 방지에 도움이 되는 인근 MPPT 부스트 컨버전스 출력
여러 광전지(PV) 케이블이 올인원 시스템에 장거리 전송으로 인해 발생하는 혼란입니다.
3, 200-900V의 넓은 전압 범위의 광전지 입력으로 업계의 고전류 광전지 모듈 액세스를 지원합니다.
4, 다중 채널 MPPT, PV 패널 다중 각도 충족
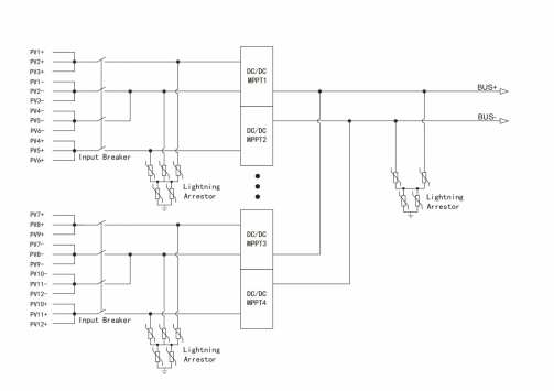
배선도

사양
| 모델 | MPPT-8 | MPPT-6 | MPPT-12 | |
| PV측 인터페이스 매개변수 |
최대 PV 어레이 전압 | 900V | ||
| MPPT 전압 범위 | 200V-900V | |||
| 정격 MPPT 전압 범위 | 560V-900V | |||
| 최대 분기 전류 | 24A | 20A | ||
| PV 입력 문자열 번호 | 8 | 6 | 12 | |
| MPPT 수 | 8 | 2 | 4 | |
| MPPT당 전류 | 20A | 55A | ||
| 출력 매개변수 | 전압 범위 | 600-950V | ||
| 정격전압 | 기본 716.8V, 조정 가능 | |||
| 정격 출력 전류 | 118A | 84A | 168A | |
| 정격 출력 전력 | 84kW | 60kW | 120kW | |
| 최대 출력 전류 | 192A | 120A | 240A | |
| 시스템 매개변수 | EUe 국가 | 99.4% | ||
| IP등급 | IP65 | |||
| 냉각 개념 | 자연 대류 | 강제 공냉 | ||
| 치수(W*D*H) | 550x530x280mm | 630×460×260mm | 630×460×260mm | |
| 무게 | 42kg | 25kg | 30kg | |
| 작동 온도 | -30~55℃ | |||
| 전원 공급 모드 | 자체 전원 공급(밤에는 전력 소모 없음) | |||
| 통신 인터페이스 | RS485 | |||
