English
Español
Português
русский
Français
日本語
Deutsch
tiếng Việt
Italiano
Nederlands
ภาษาไทย
Polski
한국어
Svenska
magyar
Malay
বাংলা ভাষার
Dansk
Suomi
हिन्दी
Pilipino
Türkçe
Gaeilge
العربية
Indonesia
Norsk
تمل
český
ελληνικά
український
Javanese
فارسی
தமிழ்
తెలుగు
नेपाली
Burmese
български
ລາວ
Latine
Қазақша
Euskal
Azərbaycan
Slovenský jazyk
Македонски
Lietuvos
Eesti Keel
Română
Slovenski
मराठी
Srpski језик |
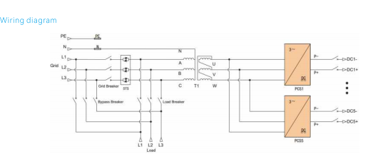
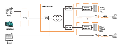
특징 이 시스템은 모듈형 인버터 장치를 병렬 구성으로 활용합니다. 각 인버터 모듈의 DC 입력은 전용 배터리 캐비닛에 해당합니다. 클러스터별 관리를 통해 클러스터 간 순환 전류를 제거합니다. 배터리 스트링. AC/DC 전원 모듈은 수량과 수량 모두에서 유연한 배포를 지원합니다. 5개 장치 병렬로 최대 60kW 모듈의 용량을 갖춘 정격 전력 구성. 전원 모듈의 AC 출력은 변압기를 통해 전달됩니다. 절연 출력단, 강한 저항으로 부하에 전원 공급 현재 충격. 하이브리드 ESS는 DC 결합형 태양광 통합을 사용하여 높은 효율을 달성합니다. 에너지 변환 효율이 높고 PV를 이용한 오프그리드 시나리오에 최적화됨 부하 수요를 초과하는 발전 용량; 실외용 MPPT 컨트롤러 결합기와 MPPT 기능을 단일 강화 인클로저에 통합합니다. 전체 시스템에는 디젤 발전기 ATS 옵션, 300kW 하이브리드가 포함됩니다. 인버터, PV MPPT 컨트롤러 및 배터리 에너지 저장 시스템.
특징 이 시스템은 모듈형 인버터 장치를 병렬 구성으로 활용합니다. 각 인버터 모듈의 DC 입력은 전용 배터리 캐비닛에 해당합니다. 클러스터별 관리를 통해 클러스터 간 순환 전류를 제거합니다. 배터리 스트링. AC/DC 전원 모듈은 수량과 수량 모두에서 유연한 배포를 지원합니다. 5개 장치 병렬로 최대 60kW 모듈의 용량을 갖춘 정격 전력 구성. 전원 모듈의 AC 출력은 변압기를 통해 전달됩니다. 절연 출력단, 강한 저항으로 부하에 전원 공급 현재 충격. 하이브리드 ESS는 DC 결합형 태양광 통합을 사용하여 높은 효율을 달성합니다. 에너지 변환 효율이 높고 PV를 이용한 오프그리드 시나리오에 최적화됨 부하 수요를 초과하는 발전 용량; 실외용 MPPT 컨트롤러 결합기와 MPPT 기능을 단일 강화 인클로저에 통합합니다. 전체 시스템에는 디젤 발전기 ATS 옵션, 300kW 하이브리드가 포함됩니다. 인버터, PV MPPT 컨트롤러 및 배터리 에너지 저장 시스템.
명세서 |
|||||
| 모델 | P200TS-400-A | P250TS-400-A | P300TS-400-A | ||
|
DC 측 매개변수 |
전압 범위 | 650-950Vdc | |||
| 모듈별 입력 스위치 | 250A | ||||
| DC 채널 수 | 3방향 | 4방향 | 5방향 | ||
|
AC측 매개변수 (그리드 연결) |
정격 출력 전력 | 200kW | 250kW | 300kW | |
| 최대 출력 전력 | 220kW | 275kW | 330kW | ||
| 정격 출력 전류 | 289A | 361A | 433A | ||
| THDi | <3% | ||||
| 그리드 유형 | 3W+N+PE | ||||
| 전압 범위 | 360VAC~440VAC | ||||
| 주파수 범위 | 45~55Hz/55~65Hz | ||||
| 역률 | -1~1 | ||||
|
섬 AC측 매개변수 |
정격 출력 전력 | 200kW | 250kW 300kW | ||
| 정격 출력 전압 | 400Vac | ||||
| 정격 출력 주파수 | 50/60Hz | ||||
| THDu | <1% 선형, <5% 비선형<1% 선형, <5% 비선형 | ||||
| 과부하 용량 | 10분 동안 110% 과부하 10분 동안 110% | ||||
|
그리드 아일랜드링 전송 및 배전반 |
유지보수 바이패스 스위치 | 400A | 630A | ||
| 그리드 스위치 | 630A | 800A | |||
| 부하 스위치 | 400A | 630A | |||
| STS 유닛 | 577A/400kW | 722A/500kW | |||
| 전환 시간 | <20ms | ||||
|
시스템 매개변수 |
최고 효율성 | 97.5% | |||
| 작동 온도 | -30~55℃-30~55℃(40℃ 이상에서 정격감소) | ||||
| 상대습도 | 0~95%RH,0~95%RH,비응축 | ||||
| 치수(L*D*H) | 1300×1050×2050mm | ||||
| 무게 | 1400kg | 1700kg 1800kg | |||
| IP그레이드 | IP21 IP21(풀세트) | ||||
| 소음 | <70dB | ||||
| 디스플레이 화면 | LCD 터치스크린 | ||||
| BMS 통신 | 할 수 있다 | ||||
| EMS 통신 | TCP/IP | ||||