English
Español
Português
русский
Français
日本語
Deutsch
tiếng Việt
Italiano
Nederlands
ภาษาไทย
Polski
한국어
Svenska
magyar
Malay
বাংলা ভাষার
Dansk
Suomi
हिन्दी
Pilipino
Türkçe
Gaeilge
العربية
Indonesia
Norsk
تمل
český
ελληνικά
український
Javanese
فارسی
தமிழ்
తెలుగు
नेपाली
Burmese
български
ລາວ
Latine
Қазақша
Euskal
Azərbaycan
Slovenský jazyk
Македонски
Lietuvos
Eesti Keel
Română
Slovenski
मराठी
Srpski језик
제품특징
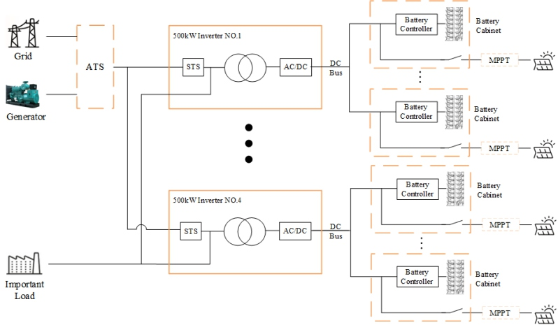
1. 500kW를 초과하는 부하에는 최대 4세트의 병렬 연결을 지원하여 총 전력 출력 2MW를 달성할 수 있는 대용량 500kW 단일 장치 에너지 저장 인버터를 사용하는 것이 좋습니다.
2. 여러 개의 500kW 시스템을 병렬로 작동하고 STSa를 서로 다른 500kW 인버터에 분산시키는 경우 그리드 연결 지점에서 부하 연결 지점까지의 케이블 길이가 일정한지 확인하는 것이 중요합니다.
3. 하이브리드 ESS는 DC 결합형 태양광 통합을 사용하여 높은 에너지 변환 효율을 달성하고 PV 생성 용량이 부하 수요를 초과하는 오프 그리드 시나리오에 최적화되었습니다. 실외 등급 MPPT
컨트롤러는 결합기와 MPPT 기능을 단일 강화 인클로저에 통합합니다. 전체 시스템에는 디젤 발전기 ATS 옵션, 300kW 하이브리드 인버터, PV MPPT 컨트롤러 및 배터리가 포함됩니다.
에너지 저장 시스템.


사양
| 모델 | P500TS-400-A | |
|
DC 측 매개변수 |
전압 범위 | 500-950V |
| 최대 전류 | 1128A | |
| 정격 출력 전력 | 500kW | |
|
AC측 매개변수 (그리드 연결) |
최대 출력 전력 | 550kW |
| 정격 출력 전류 | 722A | |
| THDi | <3% | |
| 그리드 유형 | 3W+N+PE | |
| 전압 범위 | 360VAC~440VAC | |
| 주파수 범위 | 45~55Hz/55~65Hz | |
| 역률 | -1~1 | |
| 정격 출력 전력 | 500kW | |
|
AC 측 매개변수 (오프 그리드) |
정격 출력 전압 | 400V |
| 정격 출력 주파수 | 50/60Hz | |
| THDu | <1%선형 부하, <5%비선형 부하 | |
| 과부하 용량 | 110%10분 | |
| 유지보수 바이패스 스위치 | 1250A | |
|
오프 그리드 스위치 및 스위치 구성 |
DC 스위치 | 1250A |
| 부하 스위치 | 1250A | |
| 그리드 스위치 | 1250A | |
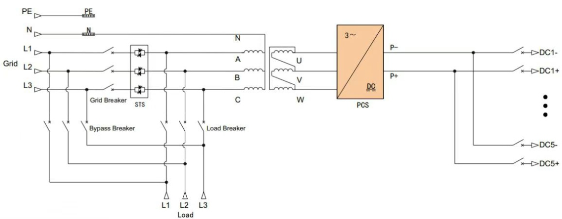
| STS 유닛 | 1155A/800kW | |
| 전환 시간 | <20ms | |
|
시스템 매개변수 |
최고 효율성 | 97.5% |
| 작동 온도 | -30~55℃(40℃ 이상 경감) | |
| 상대습도 | 0 ~ 95%RH, 비응축 | |
| 치수(L*D*H) | 1600×1050×2050mm | |
| 무게 | 2700kg | |
| IP그레이드 | IP21 IP21(완전한 기계) | |
| 소음 | <70dB | |
| 디스플레이 화면 | LCD | |
| BMS 통신 | 할 수 있다 | |
| EMS 통신 | TCP/IP | |